ASRock Rack 1U24E1S-GENOA/2L2T Block Diagram
Here is the block diagram for the server.

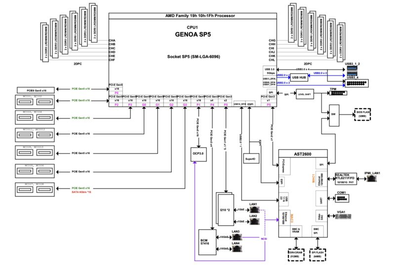
AMD socket SP5 and the EPYC 9004 Genoa, Bergamo, and Genoa-X CPUs have so much connectivity that everything is connected to the CPU. The E1.S bays use the motherboard’s MCIO connectors. The PCIe Gen5 riser and OCP NIC 3.0 slot can get full x16 bandwidth because they each have a Gen5 x16 root.
Something you may not have noticed in our internal overview can also be noted on the block diagram. This server does not have an M.2 slot. EDSFF E1.S is, in many ways, a successor to M.2, so this server just has EDSFF E1.S slots.
ASRock Rack 1U24E1S-GENOA/2L2T Management
With this generation of servers, we have the new ASPEED AST2600 BMC. That means we also get a newer ASRock Rack management solution.

Instead of going into this in-depth, since we just did that in the ASRock Rack AM5D4ID-2T/BCM review, we will just show the key features from that. Logging in, we can see an ASRock Rack skinned management interface. This is an industry-standard IPMI interface.

Included are features like HTML5 iKVM with remote media. Companies like Dell, HPE, and Lenovo charge a lot for iKVM functionality. Now, companies like Supermicro charge for remote media mountable via the HTML5 iKVM. This is a small feature, but one that is handy for many users and it is great that ASRock includes this with the board.

Another new feature with this generation is that the default password is admin/ admin, but then it immediately prompts for a change with some validation rules (e.g. you cannot just make “admin” the new password.) This is done to comply with local regulations.

Next, let us get to the performance.
ASRock Rack 1U24E1S-GENOA/2L2T Performance
Taking a look at the performance of this system, we see generally good numbers.

The giant cooler works really well here. Something that we had to change with this was the file server SSD from a Kioixa CD6-L to the Micron 7400 Pro. We usually use the Kioxia SSD for this in a 2.5″ form factor, but we needed to use drives in both the E1.S and 2.5″ form factors, so we swapped to the 7400 Pro. This was something we realized, of course, after we ran the test runs so we had to re-run everything. Such is life.
Still, realistically, most platforms stick in a +/- 5% range these days depending on the cooling solution that they employ, and this sat in that range, which is good. It means that the strategy of employing a cooler with airflow guides around the cable channels worked.
Next, let us get to the power consumption.


