Supermicro SYS-112D-40C-FN8P Block Diagram and Topology
Here is the system block diagram. You can see everything connected to the SoC for a simple design.

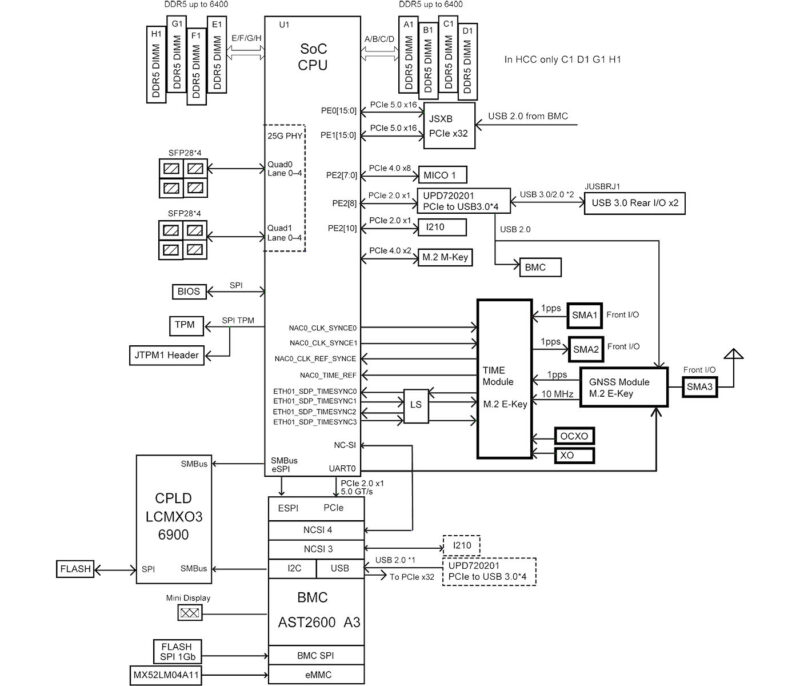
What is slightly more exciting is the M.2 E-key time module and the GNSS module, which many servers we review do not have. That is quite unique for our reviews. That module is actually not directly connected to the server via a PCIe connection either, which is just a neat finding. Instead, it uses UART, USB, and then dedicated timing interfaces. It also means that if you saw that slot and were wondering if it is a candidate for another SSD, it is not.
Here is the topology chart:

Again, we do not see the GNSS M.2 here for reasons listed above. Everything ultimately leads back to the SoC. Something worth noting here is that the SoC has 160MB of L3 cache which means 2MB of L2 cache per core (80MB) plus 160MB of L3 cache (4MB of cache per core.)
Supermicro SYS-112D-40C-FN8P Management
In terms of management, this server uses the ASPEED AST2600 BMC.

Running on that, wet a standard Supermicro IPMI implementation.

That gives us access to the system’s configuration and sensor data.

We can also do things like set user permissions, view power, and set power caps.

There is an HTML5 iKVM feature which is fairly standard on servers these days.

We can also remotely mount images and storage.

Overall, this is a very standard Supermicro IPMI implementation, so let us get to the performance next.


