Facebook
Linkedin
RSS
TikTok
X
Youtube
Forums
AI
Server
Server Systems
Server CPUs
Accelerators
Server Motherboards
Server Chassis
Other Components
5G Edge
Storage
Networking
Workstation
Workstation Processors
Workstation Motherboards
Software
Operating Systems
Server Applications
Virtualization
Guides
Buyer’s Guides
Tips
Top Hardware Components for TrueNAS / FreeNAS NAS Servers
Top Hardware Components for pfSense Appliances
Top Hardware Components for napp-it and Solarish NAS Servers
Top Picks for Windows Server 2016 Essentials Hardware
The DIY WordPress Hosting Server Hardware Guide
Search
Facebook
Linkedin
RSS
TikTok
X
Youtube
Thursday, April 16, 2026
ServeTheHome News
Storage Reliability
Raid Calculator
RAID Reliability Calculator | Simple MTTDL Model
About
Contact
Editorial and Copyright Policies
AG Substack
AG Reports
Subscribe
ServeTheHome Forums
Sign in
Welcome! Log into your account
your username
your password
Forgot your password? Get help
Privacy Policy
Password recovery
Recover your password
your email
A password will be e-mailed to you.
ServeTheHome
Advertisement
Forums
AI
Server
Server Systems
Server CPUs
Accelerators
Server Motherboards
Server Chassis
Other Components
5G Edge
Storage
Networking
Workstation
Workstation Processors
Workstation Motherboards
Software
Operating Systems
Server Applications
Virtualization
Guides
Buyer’s Guides
Tips
Top Hardware Components for TrueNAS / FreeNAS NAS Servers
Top Hardware Components for pfSense Appliances
Top Hardware Components for napp-it and Solarish NAS Servers
Top Picks for Windows Server 2016 Essentials Hardware
The DIY WordPress Hosting Server Hardware Guide
Home
Supermicro SYS-112D-40C-FN8P Review A 40 Core Intel Xeon 6 SoC Server with 8x 25GbE
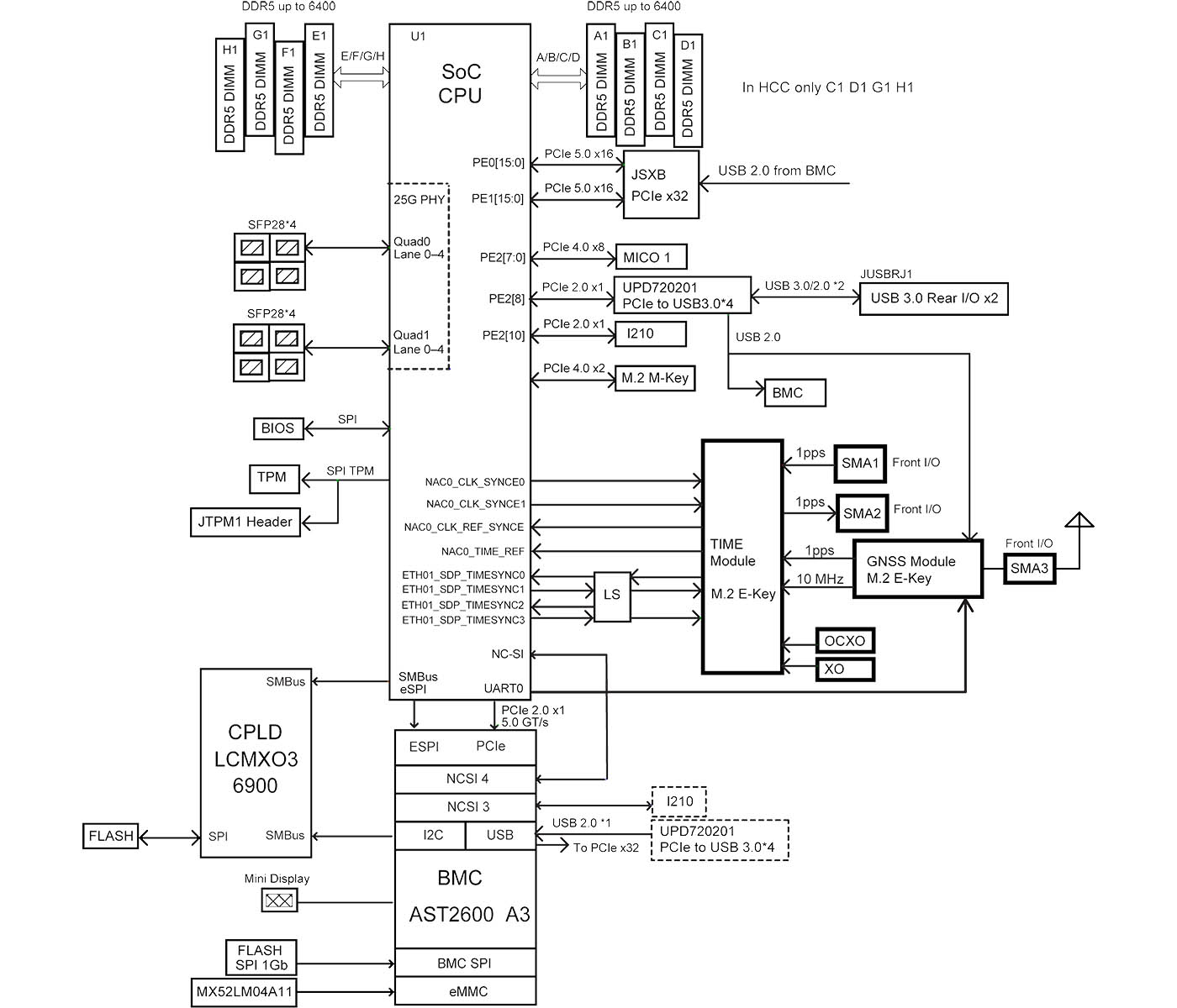
Supermicro X14SDW 40C 42C SP9F Block Diagram
Supermicro X14SDW 40C 42C SP9F Block Diagram
Supermicro X14SDW 40C 42C SP9F Block Diagram
- Advertisment -
Most Read
Supermicro SYS-112D-40C-FN8P Review A 40 Core Intel Xeon 6 SoC Server with 8x 25GbE
April 16, 2026
Lenovo ThinkPad P14s Gen 6 (Intel) Review
April 15, 2026
MikroTik CRS418-8P-8G-2S+5axQ2axQ-RM Review The All-in-One PoE Switch Router with WiFi 6
April 14, 2026
Acemagic M1A PRO+ Review An AMD-Powered 128GB AI Mini PC
April 13, 2026