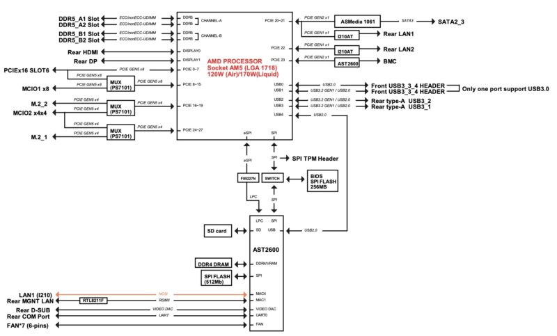
ASRock Rack EPYC4000D4U Block Diagram
Of course, the platform itself does not have enough lanes to support all of these at full speed. As a result, the block diagram is extremely important.

The block diagram shows how those Phison PS7101 chips onboard help to manage lanes when devices are or are not populated. That means what you have populated in the PCIe slots, M.2 slots, and MCIO ports will impact how the others operate. This block diagram and the spec sheet should help. Just as an aside, we have a post code display on the motherboard, but it feels a bit like there should be a standard way of expressing this and labeling it on motherboards in 2025. If you looked at the motherboard and had to figure this out without documentation or having read this review, you would likely be confused on how this motherboard works. On higher-end motherboards today there are so many PCIe lanes that we do not see this type of lane mux happening, making it a more unique problem to these lower-end motherboards.
While you can get more PCIe lanes using a chipset, you also remove the cost and power consumption of the chipset. Overall, this feels like a more modern design. It should be noted that the Intel Xeon 6300P and Xeon E-2400 designs usually include an Intel C266 PCH. That PCH is listed as having a $57 MSRP and a 6W TDP. It may seem trivial, but that is a big BOM savings.
Next, let us get to the management.
ASRock Rack EPYC4000D4U Management
This board comes standard with the ASPEED AST2600 BMC onboard.

Instead of going into this in-depth, since we just did that in the ASRock Rack AM5D4ID-2T/BCM review, we are just going to show the key features from that. Logging in, we can see an ASRock Rack skinned management interface. This is an industry-standard IPMI interface.

Included are features like HTML5 iKVM with remote media. Companies like Dell, HPE, and Lenovo charge a lot for iKVM functionality. Now, companies like Supermicro charge for remote media mountable via the HTML5 iKVM. This is a small feature, but one that is handy for many users and it is great that ASRock includes this with the board.

Another new feature with this generation is that the default password is admin/ admin, but then it immediately prompts for a change with some validation rules (e.g. you cannot just make “admin” the new password.) This is done to comply with local regulations.

Next, let us get to the performance.
AMD EPYC 4005 “Grado” Performance
We just covered this in our recent EPYC 4005 launch piece using this exact motherboard. It is a bit duplicative, but here is the performance we saw from that piece:

There are two lenses here. First, we are talking about 95W Intel Xeon parts with a 6W PCH versus 170W TDP AMD EPYC CPUs. So these are not the same power level. At the same time, they are also not the same performance by any means. The AMD EPYC 4005 series simply has more cores. Normally we break these tests out by test and discuss each. Here, it feels somewhat pointless. The gap from the top-bin entry Intel Xeon to AMD EPYC 4005 is huge.

Still, this is a $589 AMD EPYC 4565P versus a $606 Intel Xeon with a $57 Intel C266 PCH. It is not close.
Next, let us get to our key lessons learned.



Could’ve sworn I made a post somewhere in the forum before. Hope you can report on the reliability compared to the other ASrock B650 that failed from a big ongoing thread.
DDR5 3600 is hilarious. DDR4 speeds, yikes.
When and where can I buy this EPYC4000D4U motherboard?
Greatly appreciate if you could measure the idle power consumption! It has no chipset, unlike the typical consumer AM5 boards. This could be a wonderful homelab board, especially for area with expensive energy cost.
How does this compare to Supermicro H13SAE-MF?
Does VMware ESXi8 see the storage controller(s) and NICs?
Is this for sale anywhere?
Can you replace the BMC SW with OpenBMC ?
Out of curiosity, when one uses these AMD Epyc 4000’s, what do the IOMMU groupings look like when you have more than one peripheral on the CPU PCIe lanes?
Can they be split?