Facebook
Linkedin
RSS
TikTok
Twitter
Youtube
Forums
AI
Server
Server Systems
Server CPUs
Accelerators
Server Motherboards
Server Chassis
Other Components
5G Edge
Storage
Networking
Workstation
Workstation Processors
Workstation Motherboards
Software
Operating Systems
Server Applications
Virtualization
Guides
Buyer’s Guides
Tips
Top Hardware Components for TrueNAS / FreeNAS NAS Servers
Top Hardware Components for pfSense Appliances
Top Hardware Components for napp-it and Solarish NAS Servers
Top Picks for Windows Server 2016 Essentials Hardware
The DIY WordPress Hosting Server Hardware Guide
Search
Facebook
Linkedin
RSS
TikTok
Twitter
Youtube
Friday, January 16, 2026
ServeTheHome News
Storage Reliability
Raid Calculator
RAID Reliability Calculator | Simple MTTDL Model
About
Contact
Editorial and Copyright Policies
AG Substack
AG Reports
Subscribe
ServeTheHome Forums
Sign in
Welcome! Log into your account
your username
your password
Forgot your password? Get help
Privacy Policy
Password recovery
Recover your password
your email
A password will be e-mailed to you.
ServeTheHome
Advertisement
Forums
AI
Server
Server Systems
Server CPUs
Accelerators
Server Motherboards
Server Chassis
Other Components
5G Edge
Storage
Networking
Workstation
Workstation Processors
Workstation Motherboards
Software
Operating Systems
Server Applications
Virtualization
Guides
Buyer’s Guides
Tips
Top Hardware Components for TrueNAS / FreeNAS NAS Servers
Top Hardware Components for pfSense Appliances
Top Hardware Components for napp-it and Solarish NAS Servers
Top Picks for Windows Server 2016 Essentials Hardware
The DIY WordPress Hosting Server Hardware Guide
Home
AMD EPYC 4005 Grado is Great and Intel is Exposed
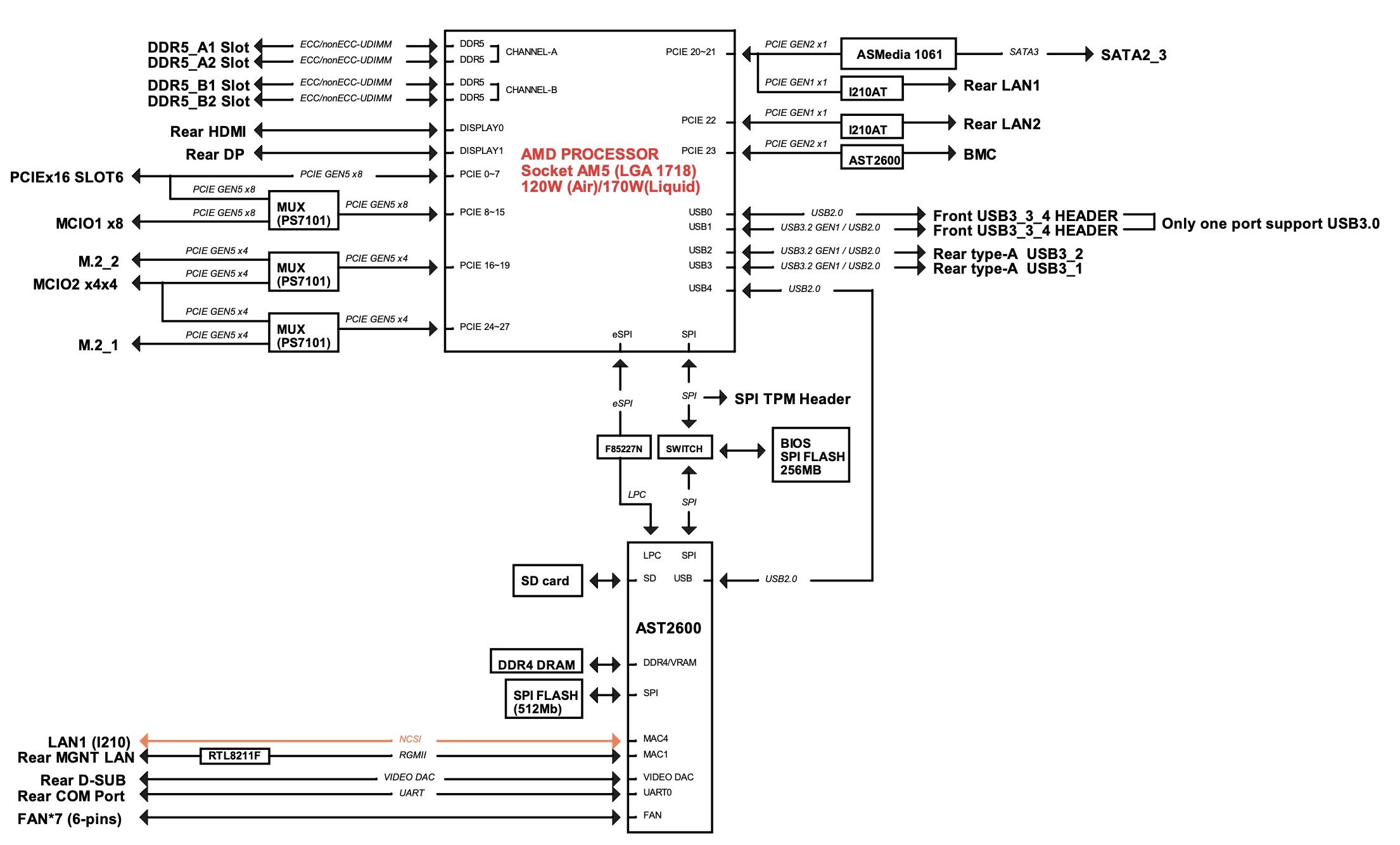
ASRock Rack EPYC4000D4U Block Diagram
ASRock Rack EPYC4000D4U Block Diagram
Screenshot
- Advertisment -
Most Read
MikroTik CRS804 DDQ Announced 4-Port 400GbE Switch
January 16, 2026
FS QSFP112 400Gbps DACs Mini Review
January 16, 2026
SiFive To Adopt NVLInk Fusion For Future Data Center RISC-V CPU Designs
January 15, 2026
Minisforum MS-S1 Max Review – The Best Ryzen AI Max Mini-PC Yet
January 14, 2026