Supermicro X12SDV-4C-SP6F Block Diagram and Topology
For the Supermicro X12SDV platform, there is a common block diagram. This basic diagram covers not just this platform but also the higher core count Xeon D variants in the -SP6F line. It also covers the -SP4F line that has two fewer 1GbE ports.

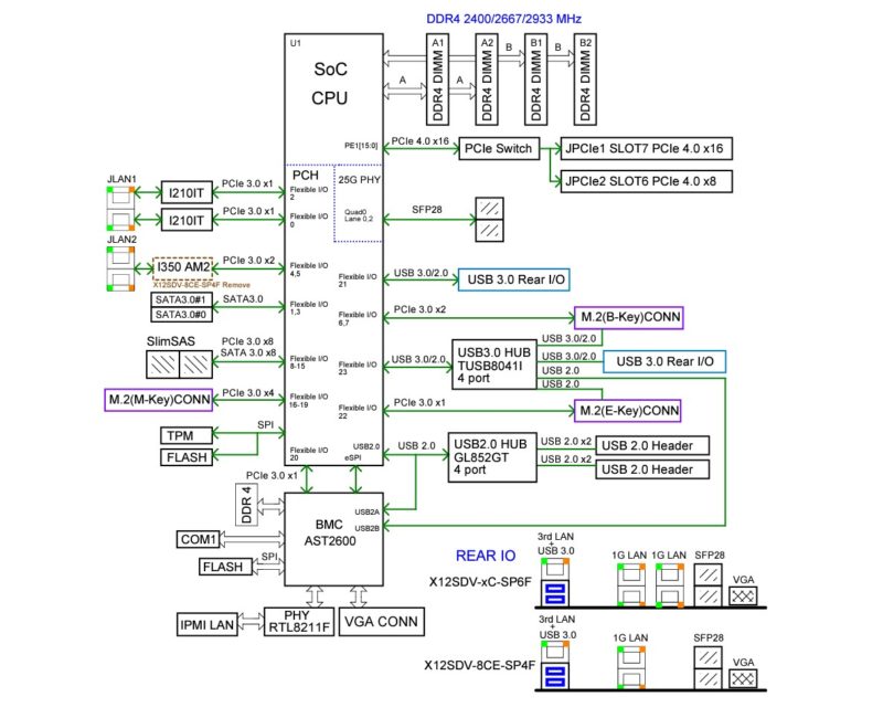
For our system, here is how the unit is configured:

As you can see, everything is on the same NUMA node making this a very simple platform. The two 25GbE ports are showing as the Ethernet and OpenFabrics RDMA devices.
Next, let us dig into the Intel 25GbE networking since many have not seen that yet.
Intel E823-L Networking
One of the most exciting features of the new Xeon D platforms is onboard networking. Intel has moved the IP behind this networking solution from its 700 series of Ethernet controllers to the 800 series. As such, we now get SFP28 25GbE onboard this Supermicro X12SDV platform, where we may have only gotten SFP+ 10GbE previously.

Since many have not seen this NIC, here are all of the NICs presenting themselves as UEFI PXE bootable devices, including the Intel E823-L.

Here is a screenshot from lshw.

Here is the lspci -vvv output that many of our readers ask for.

Since this is an Intel E800-based NIC, it uses the newer Intel “ice” driver in Linux. The Intel E800 series has been out for some time, but older OSes may not have this built-in. Support is generally pretty good at this point.
Final Words
At STH, we had the first benchmarks of the Xeon D series when it was launched and have continued that tradition. We also reviewed the X10SDV-TLN4F platform before the Xeon D series was proven in the market and Supermicro was making this line to just see if there is any interest. We have reviewed many X10SDV and X11SDV platforms, and now we have a line of X12SDV platforms, like this X12SDV-4C-SP6F that is part of a much broader portfolio. These platforms have done well so there are now a variety of form factors, CPU options, and networking options available.

One of the challenges is that the price of these chips has also risen. The D-1518 was a $220 part, while the D-1718T is a $314 list price part. That ~$100 does not take into account all of the other updates that need to happen around the CPU like better PCB for PCIe Gen4. As a result, prices are up in this generation to the point where we are seeing these for sale in the $850-$880 range. We also wish that Supermicro had an accessory fan to easily convert this for NAS platforms that may not have the best chassis cooling. In the past, Supermicro had “+” versions of some products to indicate active cooling. It would be great if there was an easy way to have one base SKU and then be able to customize cooling after the fact.
To us, the updated Intel Xeon D-1718T is great, but the two biggest features are the change to 25GbE networking and to PCIe Gen4. We recently looked at two low-cost, low-power, and low port count 25GbE/ 100GbE edge switches, so we are seeing 25GbE dramatically drop in price. See our MikroTik CRS504-4XQ-IN and MikroTik CRS518-16XS-2XQ-RM reviews. While the Xeon D-1500, D-1600, and D-2100 platforms have served us well, the Supermicro X12SDV-4C-SP6F feels more modern.

Overall, the Supermicro X12SDV-4C-SP6F is an awesome platform with lots of 1GbE and 25GbE networking and plenty of expansion capabilities for edge deployments.



What is the measured performance of the 25gb network port? I am asking because I don’t expect much based on the single lane PCIe Gen 2 connection documented by the lspci output
We run in the 24-25Gbps range on those ports fairly easily. The 25GbE ports are SoC, not PCIe devices like the i210/i350. IIRC the D-1700 series actually has a 100GbE capable network segment so 2x 25GbE is not huge.
Do you have figures for power consumption?
Of course, it is expected to draw more than a D-1518 but is it as bad at idle as the D-2100 series?
“The two 25GbE ports are showing as the OpenFabrics RDMA devices.” Shouldn’t this be: “The two 25GbE ports are showing as Ethernet and OpenFabrics RDMA devices.” ?
it would be interesting if the active-cooler/heatsink of the Xeon-D 2100 fits (SNK-C0111AP4L), in this case the cooling Problem will be solved.
I’d like to notice one thing, although there are 2 SlimSAS ports for U.2/U.3 nvme drives, Supermicro does not offer any cabling for powering those drives and they are not officially supported. There is a JPH1 header for powering disks, but Supermicro said it allows max 2 Sata SSDs. Since U.3 drives are more power hungry, I’d say even if you do manage some combination with cabling, you are limited with providing power through that pins header.
Patrick, I would be very grateful if you could shed some light on this situation, since you have a direct communication with Supermicro representatives.
I’m hoping for an mini-itx version to replace my X10SDV board.
https://www.supermicro.com/en/products/motherboard/x12sdv-4c-spt4f
This is the Mini-ITX version.
Do somebody know if this mobo supports PCIe bifurcation? I haven’t found it in their webpage.
@frankovics.andras: They’ve spelled it wrong, in manual it says :
“Use this feature to configure the bifuraction setting for the PCIe port. The options are
Auto and x4x4x8”
I love the Supermicro SYS-5028D-TN4T which is the XEON D-1541 on a Supermicro X10SDV-TLN4F mobo in a mini-tower with hotswappable 3.5″ trays and provision for 2 more 2.5″ internal disks and the mobo has onboard 2x10Gbe RJ45 and 2x1Gbe.
those originally shipped with a 250W bronze PSU but later were shipped with a 350W GOLD PSU (thats the one I purchased).
In my eyes those X10 gen supermicro mini tower bundles competed directly with the HP ProLiant Microserver Gen10 and the SM blew the HP away in price comparison, performance and features.
I love the newer version reviewed here too, but it is no longer as affordable like the Supermicro X10 with Intel XEON D 1500 series was, and it doesn’t have active cooling or a minitower chassis option (yet), although the newer has far better specs. It’s still probably less expensive than the HP Micro Server though :D
Another important topic regarding Supermicro motherboard purchases. If you go to their e-store they no longer allow for barebone or motherboard purchases by themselves.
In other words, you can’t just purchase this motherboard from Supermicro. You’d have to purchase it inside of a chassis. And that’s not all. You have to purchase it with at least one stick of RAM, at least one disk, and bundled keyboard and mouse.
If you go to a retailer such as Wired Zone, which drop ships from Supermicro, it’s the same problem. They’ll display it as a motherboard for about $890 USD (currently as of me writing this) which you can purchase. But wiredzone will contact you after ordering it to let you know it’s on hold unless you bundle it with memory, disk and keyboard with mouse.
It’s crazy. The only way you can obtain just the motherboard standalone is if purchasing it from a seller that doesn’t drop ship it from Supermicro.
It’s a little bit crazy.
@frankovics.andras thanks, but unfortunately it have limited storage options. I would have liked to see one or two sata port which would bring the total up to 6.
And they are unhealthy expensive here in Europe.
@Casper: if you can even find them.
We are in the same boat. I would like to find a new, decent NAS mobo.
Im surprised patrick did not post any power draw numbers (even just a single value of what it pulls at idle is helpful).
great review still!! (best you will find anywhere) thanks!!
@Benny_RT2 that is unbelievable!! and makes sense as to why the only place you can find the motherboard ALONE is on ebay, and at a higher than MSRP price. Very unfortunate that supermicro has been moving in this direction over the past few years (ie trying to extract $ out of every angle)
I would love to see a review of the Mini-ITX version of this board as it has Dual 10GBase-T LAN instead of the 4Gb ports thus a lot more potential use cases.
https://www.supermicro.com/en/products/motherboard/x12sdv-4c-spt4f
@ m4dm4n
> There is a JPH1 header for powering disks
This header (which is molex male) is found on many supermicro motherboards with soldered CPU (e.g. c2750 boards, X10SDV series, X11SBA-LN4F) to provide power to disks but I can’t find a cable anywhere. It would need to be molex female to SATA female but such a cable just doesn’t seem to exist. Does anyone know whether Supermicro carries a cable? I haven’t been able to find any reference to a cable in any manuals of any of the many Supermicro boards that have a male molex header on the motherboard.
> it would be interesting if the active-cooler/heatsink of the Xeon-D 2100 fits (SNK-C0111AP4L), in this case the cooling Problem will be solved.
I purchased a SNK-C0111AP4L from Wired Zone to test this out. The screw holes align perfectly, but the chokes next to the barcode sticker block the cooler from being screwed in. I ended up using a dremel to remove the ~.25″ x 1″ section of the heatsink that overlaps with the chokes. It wasn’t super straightforward, but the cooler fits like a glove now, with my CPU running 20C cooler than stock.
I’ve connected the CPU fan to FAN1 per the manual, though the fan is fairly loud. I’ll likely replace it with a Noctua 40mm. The SNK-P0070APS4 also looks interesting, and the base appears to be low profile enough to not require modification, but I’m not certain it uses the same screw hole pattern.