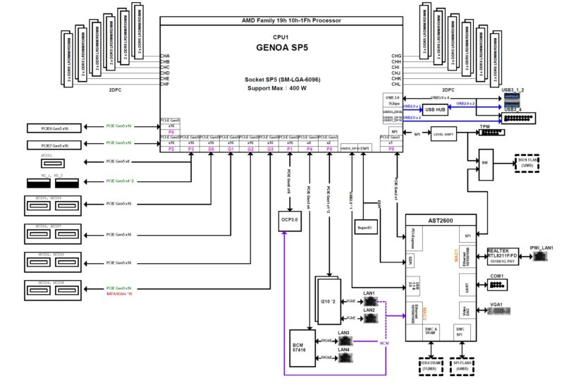
ASRock Rack 1U12E-GENOA/2L2T Block Diagram
The ASRock Rack GENOAD24QM3-2L2T/BCM powering this server has an interesting block diagram.

The AMD EPYC 9004 processors almost have too much I/O for single socket 1U servers. Years ago, having similar numbers of expansion slots would have meant making strange trade-offs in the system. That is not the case in this server with an extremely full, but straightforward topology.
ASRock Rack 1U12E-GENOA/2L2T Management
The ASRock Rack system has an onboard ASPEED AST2600 BMC.

As such, it has a management interface for out-of-band management. That means we get an updated ASRock MegaRAC IPMI management interface (and Redfish API) solution versus what we saw on the older platforms.

That includes features like HTML5 iKVM functionality included.

Recently, Supermicro made a change to licensing the remote media mounting feature that we covered in: How to Add Virtual Media to a Supermicro Server via HTML5 iKVM Web IPMI Interface. ASRock Rack does not charge for this feature and it is one that many admins use.

The new platform still uses the default username and password of admin / admin, but it now has a requirement to change the password after the first boot:

You can learn more about why this is required so the old ADMIN/ ADMIN credentials will not work in Why Your Favorite Default Passwords Are Changing.
Next, let us get to the performance and our final thoughts.
ASRock Rack 1U12E-GENOA/2L2T Performance
We wanted to give a sense of how the system performs, but we had a challenge. The system specs said a 300W TDP CPU limit. As a result, we are again using AMD EPYC 9634 chips which have 84 cores. They are also only 290W default TDP parts that can run in the 240W to 300W range making them perfect for a 300W server like this. Here is what we saw:

Overall, the performance of this system is very good. We will note that adding a full set of 24x DDR5 DIMMs downclocks the memory as is common on most modern servers but we test at 1 DIMM per channel (1DPC) not 2DPC as our standard on STH. We were a bit concerned looking at the airflow guide with the DIMM temperatures, but that was unfounded based on actual performance.
Next, let us get to the power consumption before wrapping up our review.



I thoroughly enjoyed the article, Patrick. New platform, new words and ideas; and i appreciate the almost total absence of copy and paste in the article :)