Facebook
Linkedin
RSS
TikTok
Twitter
Youtube
Forums
AI
Server
Server Systems
Server CPUs
Accelerators
Server Motherboards
Server Chassis
Other Components
5G Edge
Storage
Networking
Workstation
Workstation Processors
Workstation Motherboards
Software
Operating Systems
Server Applications
Virtualization
Guides
Buyer’s Guides
Tips
Top Hardware Components for TrueNAS / FreeNAS NAS Servers
Top Hardware Components for pfSense Appliances
Top Hardware Components for napp-it and Solarish NAS Servers
Top Picks for Windows Server 2016 Essentials Hardware
The DIY WordPress Hosting Server Hardware Guide
Search
Facebook
Linkedin
RSS
TikTok
Twitter
Youtube
Wednesday, February 11, 2026
ServeTheHome News
Storage Reliability
Raid Calculator
RAID Reliability Calculator | Simple MTTDL Model
About
Contact
Editorial and Copyright Policies
AG Substack
AG Reports
Subscribe
ServeTheHome Forums
Sign in
Welcome! Log into your account
your username
your password
Forgot your password? Get help
Privacy Policy
Password recovery
Recover your password
your email
A password will be e-mailed to you.
ServeTheHome
Advertisement
Forums
AI
Server
Server Systems
Server CPUs
Accelerators
Server Motherboards
Server Chassis
Other Components
5G Edge
Storage
Networking
Workstation
Workstation Processors
Workstation Motherboards
Software
Operating Systems
Server Applications
Virtualization
Guides
Buyer’s Guides
Tips
Top Hardware Components for TrueNAS / FreeNAS NAS Servers
Top Hardware Components for pfSense Appliances
Top Hardware Components for napp-it and Solarish NAS Servers
Top Picks for Windows Server 2016 Essentials Hardware
The DIY WordPress Hosting Server Hardware Guide
Home
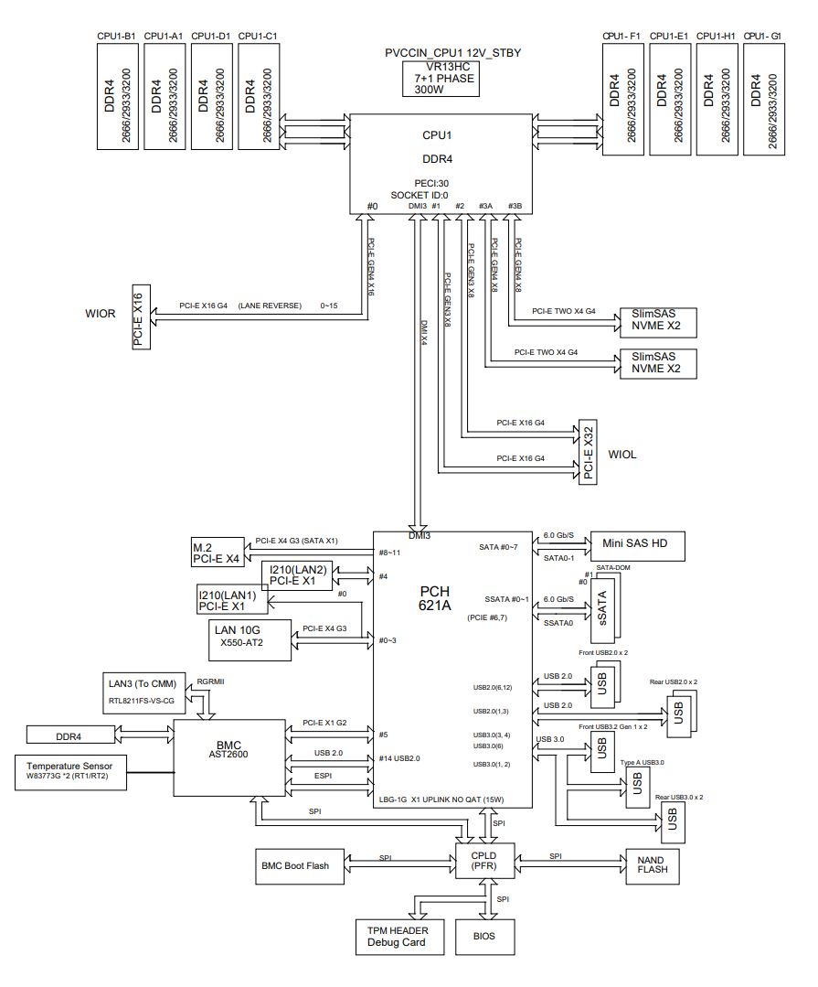
Supermicro SYS-510P-WTR 1U 1P Intel Xeon Server Review
Supermicro SYS 510P WTR Block Diagram
Supermicro SYS 510P WTR Block Diagram
Supermicro SYS 510P WTR Block Diagram
- Advertisment -
Most Read
Why Server Motherboards Ditched ATX Form Factors with the Supermicro X14DBM-AP Example
February 10, 2026
New IBM Storage FlashSystem Gets an AI Infusion
February 10, 2026
TP-Link Omada VPN Gateway ER8411 Review 10Gbps with a Catch
February 9, 2026
NICGIGA S50-0800 Cheap 8-port 5GbE Switch Review
February 8, 2026