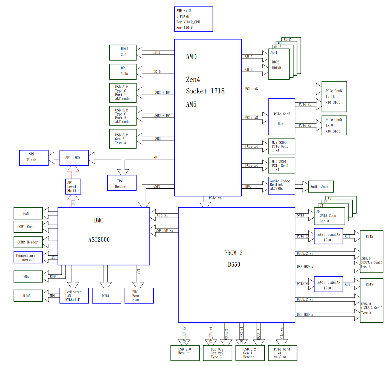
Supermicro H13SAE-MF Block Diagram
Supermicro did provide a block diagram for the H13SAE-MF:

There is a lot going on here, but in general things look well balanced to me. As with all AM5 CPUs, the CPU to chipset link is provided by a PCIe Gen4 x4 connection, and the B650 chipset has a lot of downstream connectivity to it, so it is possible to oversaturate that link. In particular, heavy concurrent use of the 20Gbps Type C connector and the x4 PCIe slot could easily gets you into link saturation territory, but outside of that scenario most of the connectivity on the system has dedicated lanes to the CPU.
Next, let us get to the management.
Supermicro H13SAE-MF Management
Speaking of the BMC, a very standard ASPEED AST2600 is in play on the H13SAE-MF.

For anyone who has used a Supermicro branded IPMI interface in the last few years, this should be familiar. More importantly, it works well and reliably, allowing for full out-of-band management on the system and remote HTML5 iKVM and media support.

This is a newer generation platform so we have a randomized password. You can learn more about why this is required so the old ADMIN/ ADMIN credentials will not work in Why Your Favorite Default Passwords Are Changing.
Instead of doing our normal performance section, and these generally are in the same range as other EPYC 4004 motherboards, since I have been deploying many of these, I wanted to provide a few deployment notes.
Supermicro H13SAE-MF Deployment Notes
One thing I mentioned is that, in comparison to most desktop AM5 boards, the CPU socket and memory modules are rotated 90 degrees.

For anyone purchasing the H13SAE-MF with the intent to install it into a standard ATX or mATX tower case, the 90 degree rotation of the CPU socket should be kept in mind. While single or dual-fan tower coolers will still physically fit into the socket, airflow will be directed vertically. I have not found this to be an issue in my deployments, but if it is then there are coolers such as the Dynatron A47 that are designed for the AM5 socket in this orientation.
I would also encourage you to ensure there is significant chassis airflow in general, as the power delivery around the CPU socket has a relatively diminutive heatsink. If you have a 170W TDP CPU installed you will want to have good airflow to ensure stable operation.
Supermicro H13SAE-MF Server OS Testing
Supermicro has an official OS compatibility list provided here, and it should be noted that there are differences on that list depending on whether you are deploying a Ryzen or an EPYC CPU on the platform. With that said, I have personally deployed several operating systems on the H13SAE-MF that are NOT on Supermicro’s official list, including Windows Server 2025 and VMware ESXi 8.0 without difficulty, and I suspect essentially any modern operating system that would work on a desktop Ryzen platform will work without issue here, regardless of which CPU is installed. With that said, I have personally tested the following:
- Windows 10 22H2
- Windows 11 24H2
- Windows Server 2022/2025
- VMware ESXi 8.0
- Ubuntu 22.04/24.04
- CentOS Stream 10
As I have mentioned, I have used many of these platforms for clients.
Final Words
Longtime readers might know that I have been following AMD desktop-class CPUs in server environments for a while now, starting with my coverage of ASRock Rack’s X470D4U five years ago. Back then, it was just a standard desktop Ryzen CPU slapped into an oddball motherboard that had a BMC chip duct-taped to it. Back then Ryzen on a server represented a risk; it was new and untested, raw even, and felt more like an experiment by a single vendor than a mature product.

That was five years ago, and things have come a long way. The Supermicro H13SAE-MF is a dense, polished, competent product and with EPYC 4000 series the AM5 server ecosystem has expanded far beyond the humble beginnings of those original ASRock Rack products that paved the way.
The H13SAE-MF is a good motherboard, and as I mentioned in my introduction I have already deployed it several times over the past year and a half, and those systems have given me zero issues. AM5-based servers are still not a solution for everyone; they have PCIe lane count limitations, core count limitations, and memory capacity limitations that no fancy motherboard can fix. But if you fit within the parameters of the platform, solutions like the H13SAE-MF are no longer toys, but real solutions worthy of your consideration.



Supermicro puts some usefull BMC-features behind a paywall.
Other company are much more better in this area, and this should be mentioned in a test.
How is bifurcation of the second x16 pcie slot? I have heard you can’t set it to x4x4 when using the first x16 slot for GPU (@x8) or vice versa – not sure if newer BIOS fix this issue – x8x4x4/x4x4x8 is pretty well supported on amd MB’s normally so sad to hear Supermicro gimped this board
Would be good if the review mentioned these limitations
The Epyc 4004 series also works with pfSense.
@Stuart I think that is a CPU limitation rather than a board limitation. As far as I know, the AM5 chips can’t bifurcate less than x8/x8 so it would be the same on all boards.
Chris S and Stuart,
I’m not sure. I know older AM4 boards could do x4/x4/x4/x4 bifurcation on the x16 slot, but it isn’t something I’ve looked into on AM5. I don’t have one of these boards on hand at the moment, but the next time I lay hands on one I’ll try to investigate and update!
AM5 has no problem doing x4/x4/x4/x4 bifurcation. However it’s requires motherboard vendor support. For example search for ASUS FAQ number 1037507 for a list of their boards capable of it.
AM5 can definitely do x4/x4/x4/x4. I have a 9900X on an Asus Tuf x670E board that does it.
It’s infuriating that AMD still has not released Windows Server 2025 drivers for the Ryzen AM5 onboard GPU. The installer actively blocks you from installing the Windows 11 or Windows Server 2022 drivers, which would work just fine.
Pete,
The installer blocks you, but the driver is just fine. When you run the installer it extracts the driver itself to \AMD\AMD-Software-Installer\Packages\Drivers\Display\WT6A_INF, and you can just update the driver via Device Manager and skip the installer. Works just fine. As seen here: https://imgur.com/kBzbVB1.png
Nice board. With VMware ESXi 8 are the NICs and the storage controllers properly recognized? If it is possible can you test this board with 256 GB memory equipped and if it is running stable?
CDW says this product was discontinued May 10, 2025 — one day after your review. I can’t find it for sale anywhere anymore. I agree it’s a great board, we have a lot of these.
Gabe,
You can still purchase this board on neweggs website. Just purchased mine today.
192 GB RAM
X2 2TB 990Pros
X1 A4000 Nvidia GPU
Ryzen 9 9950X
CORSAIR NAUTILUS 360 RS Liquid CPU Cooler to keep things chilled.
This could be a nice dream workstation for me. I want to keep the case small and use a dual 5090 with a small form factor motherboard, but I need a MATX to make it happen. This motherboard supports dual X8/X8, and the 5090 nearly suffers in performance. I also like that this small motherboard allows for ECC RAM. Does anyone have any confirmation or real-life experience to know if the motherboard supports this?
I will use this machine for CAD, 3D modeling, Rendering, and other purposes.
Also, can I use the reinserted ECC RAM in this motherboard?
The H13SAE-MF is now available (again) on newegg…paired mine with a 4565P, Corsair CP2K64G56C46U5, and SKH P51 2TB
Hopefully, this will allow me to enjoy working with my 4000 ADA SFF….
I have this motherboard combined with a Silverstone CS382 chassis and Broadcom HBA for 8 hotswap disks. Works fine with AMD 9700X and ECC RAM.
However, i would never suggest this motherboard for DIY, it’s made for supermicro cases. The CPU socket is rotated so most coolers will have the wrong orientation, even Noctua NH-U9S didnt come with the right bracket and they had to send it to me afterwards.
Also the fans are impossible to control via IPMI, all with unknown Hex codes stuff, many alerts of low RPM, no fan curves, etc.