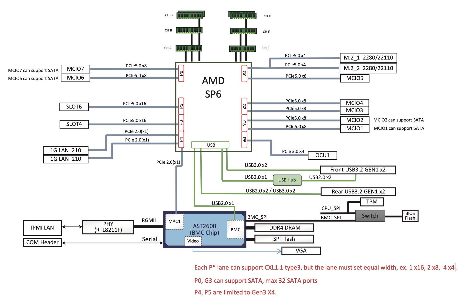
ASRock Rack SIENAD8UD3 Block Diagram

ASRock Rack SIENAD8UD3 Airflow 1
ASRock Rack SIENAD8UD3 Block Diagram
ASRock Rack SIENAD8UD3 With SATA Data And Power
ASRock Rack SIENAD8UD3 Performance
- Advertisment -



Most Read