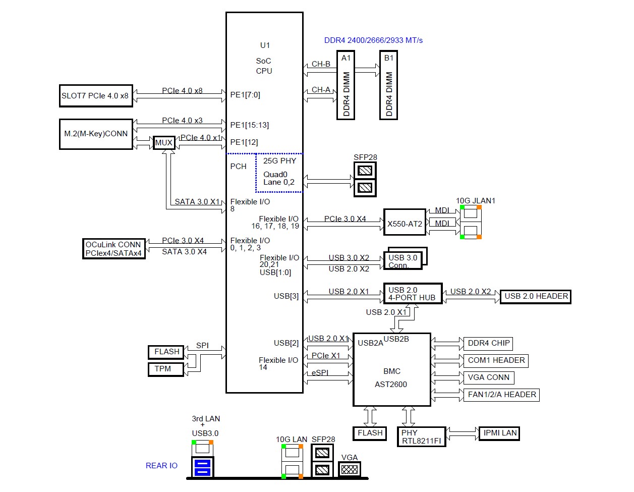
Supermicro X12SDV 10C SPT4F Block Diagram

Supermicro X12SDV 10C SPT4F M.2 Airflow
Supermicro X12SDV 10C SPT4F Block Diagram
Supermicro X12SDV 10C SPT4F Topology
Intel Xeon D 1749NT 7 Zip Compression Benchmark
- Advertisment -



Most Read