Supermicro E403 IPMI Power

Supermicro E403 IPMI CPU
Supermicro E403 IPMI Power
Supermicro SYS E403 14B FRN2T Side 1
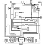
Supermicro E403 14 Block Diagram
- Advertisment -



Most Read