Facebook
Linkedin
RSS
TikTok
Twitter
Youtube
Forums
AI
Server
Server Systems
Server CPUs
Accelerators
Server Motherboards
Server Chassis
Other Components
5G Edge
Storage
Networking
Workstation
Workstation Processors
Workstation Motherboards
Software
Operating Systems
Server Applications
Virtualization
Guides
Buyer’s Guides
Tips
Top Hardware Components for TrueNAS / FreeNAS NAS Servers
Top Hardware Components for pfSense Appliances
Top Hardware Components for napp-it and Solarish NAS Servers
Top Picks for Windows Server 2016 Essentials Hardware
The DIY WordPress Hosting Server Hardware Guide
Search
Facebook
Linkedin
RSS
TikTok
Twitter
Youtube
Friday, November 14, 2025
ServeTheHome News
Storage Reliability
Raid Calculator
RAID Reliability Calculator | Simple MTTDL Model
About
Contact
Editorial and Copyright Policies
AG Substack
AG Reports
Subscribe
ServeTheHome Forums
Sign in
Welcome! Log into your account
your username
your password
Forgot your password? Get help
Privacy Policy
Password recovery
Recover your password
your email
A password will be e-mailed to you.
ServeTheHome
Advertisement
Forums
AI
Server
Server Systems
Server CPUs
Accelerators
Server Motherboards
Server Chassis
Other Components
5G Edge
Storage
Networking
Workstation
Workstation Processors
Workstation Motherboards
Software
Operating Systems
Server Applications
Virtualization
Guides
Buyer’s Guides
Tips
Top Hardware Components for TrueNAS / FreeNAS NAS Servers
Top Hardware Components for pfSense Appliances
Top Hardware Components for napp-it and Solarish NAS Servers
Top Picks for Windows Server 2016 Essentials Hardware
The DIY WordPress Hosting Server Hardware Guide
Home
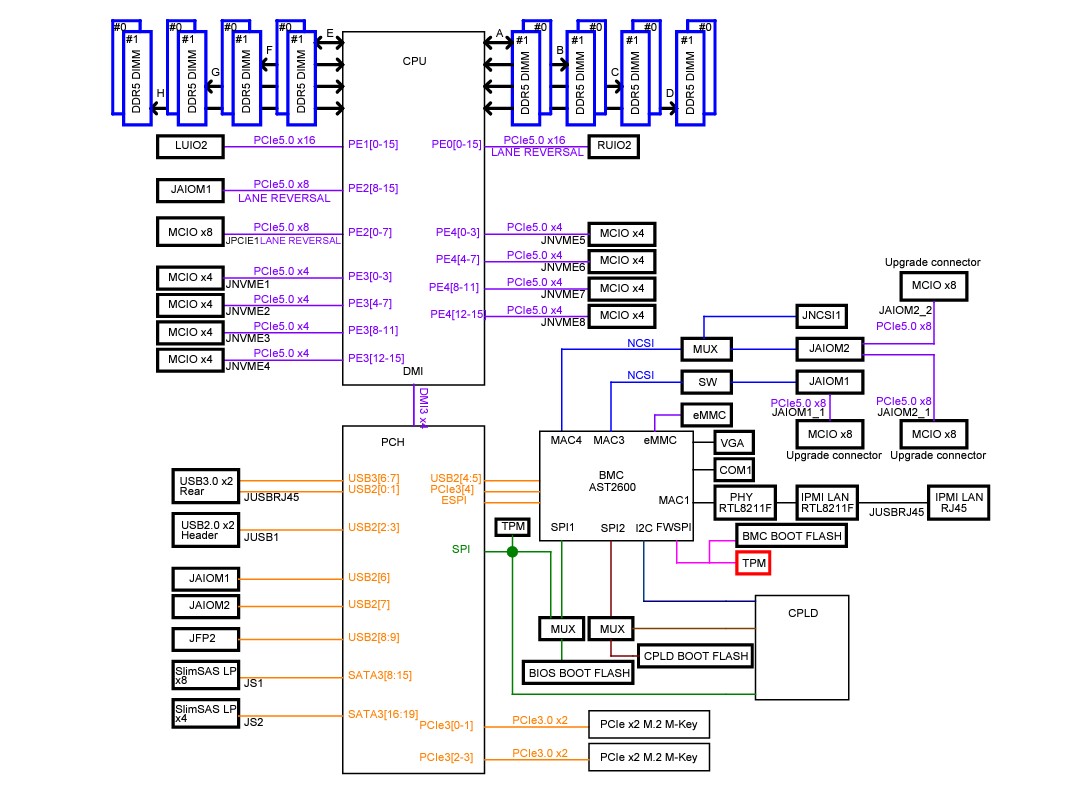
Supermicro SYS-111C-NR 1U Intel Xeon Server Review
Supermicro SYS 111C NR 1U Block Diagram
Supermicro SYS 111C NR 1U Block Diagram
Supermicro SYS 111C NR 1U Block Diagram
- Advertisment -
Most Read
MLPerf Training v5.1 NVIDIA Dominates while AMD Has a Strong Showing and Cisco Silicon
November 13, 2025
TP-Link BE3600 Wi-Fi 7 Portable Travel Router TL-WR3602BE Review
November 12, 2025
AMD EPYC Venice 2026 with 1.3x Thread Density and 1.7x Performance
November 11, 2025
The Minisforum MS-R1 12-core Arm 10GbE Mini Workstation is
November 10, 2025