Facebook
Linkedin
RSS
TikTok
X
Youtube
Forums
AI
Server
Server Systems
Server CPUs
Accelerators
Server Motherboards
Server Chassis
Other Components
5G Edge
Storage
Networking
Workstation
Workstation Processors
Workstation Motherboards
Software
Operating Systems
Server Applications
Virtualization
Guides
Buyer’s Guides
Tips
Top Hardware Components for TrueNAS / FreeNAS NAS Servers
Top Hardware Components for pfSense Appliances
Top Hardware Components for napp-it and Solarish NAS Servers
Top Picks for Windows Server 2016 Essentials Hardware
The DIY WordPress Hosting Server Hardware Guide
Search
Facebook
Linkedin
RSS
TikTok
X
Youtube
Friday, May 8, 2026
ServeTheHome News
Storage Reliability
Raid Calculator
RAID Reliability Calculator | Simple MTTDL Model
About
Contact
Editorial and Copyright Policies
AG Substack
AG Reports
Subscribe
ServeTheHome Forums
Sign in
Welcome! Log into your account
your username
your password
Forgot your password? Get help
Privacy Policy
Password recovery
Recover your password
your email
A password will be e-mailed to you.
ServeTheHome
Advertisement
Forums
AI
Server
Server Systems
Server CPUs
Accelerators
Server Motherboards
Server Chassis
Other Components
5G Edge
Storage
Networking
Workstation
Workstation Processors
Workstation Motherboards
Software
Operating Systems
Server Applications
Virtualization
Guides
Buyer’s Guides
Tips
Top Hardware Components for TrueNAS / FreeNAS NAS Servers
Top Hardware Components for pfSense Appliances
Top Hardware Components for napp-it and Solarish NAS Servers
Top Picks for Windows Server 2016 Essentials Hardware
The DIY WordPress Hosting Server Hardware Guide
Home
Intel Xeon 6700P and 6500P Granite Rapids-SP for the Masses Initial Benchmarks and First Look
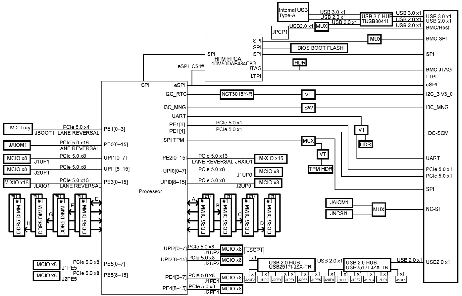
Supermicro SYS 112C TN Motherboard Block Diagram
Supermicro SYS 112C TN Motherboard Block Diagram
Supermicro SYS 112C TN Motherboard Block Diagram
- Advertisment -
Most Read
AMD Intros Instinct MI350P Accelerator: CDNA 4 Comes to PCIe Cards
May 7, 2026
PCI-SIG PCIe 8.0 Specification Draft 0.5 Released
May 6, 2026
NVIDIA Spectrum-X Ethernet MRC is the Custom RDMA Transport Protocol for Gigascale AI
May 6, 2026
SPEC Consortium Releases SPEC CPU 2026 Benchmark Suite: The Next Decade of CPU Benchmarking
May 5, 2026