Facebook
Linkedin
RSS
TikTok
X
Youtube
Forums
AI
Server
Server Systems
Server CPUs
Accelerators
Server Motherboards
Server Chassis
Other Components
5G Edge
Storage
Networking
Workstation
Workstation Processors
Workstation Motherboards
Software
Operating Systems
Server Applications
Virtualization
Guides
Buyer’s Guides
Tips
Top Hardware Components for TrueNAS / FreeNAS NAS Servers
Top Hardware Components for pfSense Appliances
Top Hardware Components for napp-it and Solarish NAS Servers
Top Picks for Windows Server 2016 Essentials Hardware
The DIY WordPress Hosting Server Hardware Guide
Search
Facebook
Linkedin
RSS
TikTok
X
Youtube
Monday, May 4, 2026
ServeTheHome News
Storage Reliability
Raid Calculator
RAID Reliability Calculator | Simple MTTDL Model
About
Contact
Editorial and Copyright Policies
AG Substack
AG Reports
Subscribe
ServeTheHome Forums
Sign in
Welcome! Log into your account
your username
your password
Forgot your password? Get help
Privacy Policy
Password recovery
Recover your password
your email
A password will be e-mailed to you.
ServeTheHome
Advertisement
Forums
AI
Server
Server Systems
Server CPUs
Accelerators
Server Motherboards
Server Chassis
Other Components
5G Edge
Storage
Networking
Workstation
Workstation Processors
Workstation Motherboards
Software
Operating Systems
Server Applications
Virtualization
Guides
Buyer’s Guides
Tips
Top Hardware Components for TrueNAS / FreeNAS NAS Servers
Top Hardware Components for pfSense Appliances
Top Hardware Components for napp-it and Solarish NAS Servers
Top Picks for Windows Server 2016 Essentials Hardware
The DIY WordPress Hosting Server Hardware Guide
Home
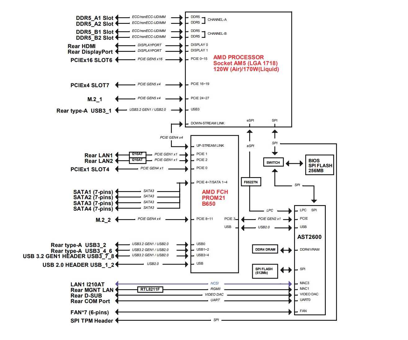
ASRock Rack 2U1G-B650 2U AMD Ryzen GPU Server Review
ASRock Rack B650D4U Block Diagram
ASRock Rack B650D4U Block Diagram
ASRock Rack B650D4U Block Diagram
- Advertisment -
Most Read
ASUS ROG Crosshair X870E Hero AMD AM5 Motherboard Quick Look
May 3, 2026
G.Skill Trident Z5 RGB Neo DDR5-6000 32GB 2x 16GB Kit Quick Look
May 2, 2026
Lenovo ThinkPad P16 Gen 3 Review Portably Powerful
May 1, 2026
GL.iNet GL-RM10 Comet Pro Remote 4K KVM Review A Higher-End Tailscale Option
April 30, 2026